Elektrik Elektronik Teknolojisi Alanı Temrinleri
Ana Sayfa
Forum
Son yazılan iletiler
Kim nerede?
İstatistikler
Ara
Download
İletişim
Üyeler
Üye listesini görüntüle
Üyelerde ara
Giriş Yap
Kayıt Ol
Hoşgeldiniz
Ziyaretçi
. Lütfen
giriş yapın
veya
kayıt olun
.
1 Saat
1 Gün
1 Hafta
1 Ay
Her zaman
Kullanıcı adınızı, şifrenizi ve aktif kalma süresini giriniz
Elektrik elektronik temrinleri
»
Uygulama Devreleri
»
Elektronik
»
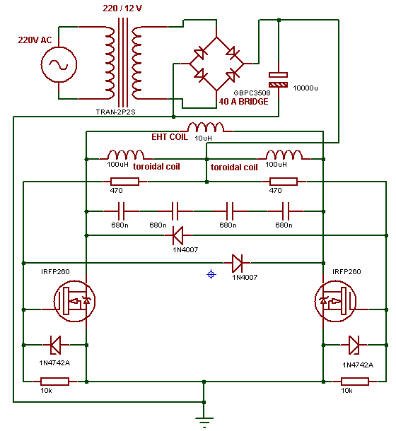
12 Volttan 40000 Volt elde etmek
« önceki
sonraki »
Yazdır
Sayfa: [
1
]
Aşağı git
Gönderen
Konu: 12 Volttan 40000 Volt elde etmek (Okunma sayısı 18020 defa)
0 Üye ve 2 Ziyaretçi konuyu incelemekte.
22 Ağustos 2023, 18:04:15
Hasan ERTÜRK
İleti: 706
Teşekkür: 61
12 Volttan 40000 Volt elde etmek
Şu konular da ilginizi çekebilir:
12 Volt dc to 220Volt ac invertor
9. 24 Volt aküdeki gerilim dalgalanmasını izlenmesi
24 Volt PLc çıkışı ile 5 Volt sürücü devre
0 - 30 Volt DC Kaynak
12 Volttan yüksek gerilim elde etmek
Kayıtlı
iletişim:
0542 343 09 15
Yazdır
Sayfa: [
1
]
Yukarı git
« önceki
sonraki »
Elektrik elektronik temrinleri
»
Uygulama Devreleri
»
Elektronik
»
12 Volttan 40000 Volt elde etmek
There was an error while thanking
Thanking...
Faydalı linkler:
Spina Bifida Turkey
domiRobot
.
.
.
Tavsiye temrinler:
1.
Tek butonla iki sıralı çıkışın çalıştırılması
2.
PLC ile alarm uyarı sistemi
3.
Toog fonksiyonu uygulaması
4.
Otomobiller için çakar lamba
5.
Arduino ile yıldız üçgen ileri geri çalıştırma
SMF 2.0.19
|
SMF © 2014
,
Simple Machines
Forum haritası
XHTML
RSS
WAP2
wm theme
by,
spina bifida