Elektrik Elektronik Teknolojisi Alanı Temrinleri

 
Hoşgeldiniz Ziyaretçi. Lütfen giriş yapın veya kayıt olun.

Kullanıcı adınızı, şifrenizi ve aktif kalma süresini giriniz

Gönderen Konu: Zaman ayarlı çalışma  (Okunma sayısı 18265 defa)

0 Üye ve 1 Ziyaretçi konuyu incelemekte.

13 Ocak 2019, 09:26:57
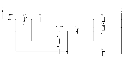
Start butonuna basılmasıyla beraber 2 saniye süre ile A kontaktörünün çekmesi ve start butonu basılı olsa dahi 2 saniyelik sürenin dolmasıyla beraber A kontaktörünün bırakması istenmektedir. A kontaktörü bıraktıktan sonra start butonuna tekrar basılırsa aynı senaryo tekrar edecektir.

 




« Son Düzenleme: 14 Ocak 2019, 10:53:35 Gönderen: Hasan ERTÜRK »


iletişim: 0542 343 09 15